JPWORLD沃特KHG1-20/25/32/40/50/63-01R-VPC齒輪泵注塑機伺服泵

非標液壓系統安全操作及維護保養
正確使用液壓機械設備,認真執行維護保養和遵守安全操作規程,是延長設備使用壽命、保證安全生産的必要條件。因此,首先應熟悉機器之機構機能和操作程序,掌握其性能,此外,根據一般使用情況。
1、非標液壓系統安全操作規程:
①、不了解機器結構性能或操作程序者不應擅自??動機器;
②、機器在工作中,不應進行檢修和調整;
③、當機器發現嚴重漏油或其它異常時應停機分析原因,設法排除,不得帶病投入生産;
④、不得超載或超過最大壓力使用;
⑤、電氣設備接地必須牢固可靠。
2、非標液壓系統維護保養:
①、工作油推薦使用46#、60#抗磨液壓油。溫度低于200C時可用40#機械油或22#透平油,室溫高于300C時可用60#或N68#機油,使用油溫在15度~70度范圍內。
②、 油液應進行嚴格過濾后才許加入油箱;
③、工作油液壓每年更換一次,其中第一次更換時間不應超過三個月;
④、液壓站應經常涂抹防銹油,油箱外部分表面應經常保持清潔,每次工作前應先噴注機油;
⑤、每半年校查一次壓力表;
⑥、機器較長期停用,也應將各部會表面擦洗干凈并涂防銹漆。








KHG0系列:
KHG0-10-01R-VPC KHG0-08-01R-VPC KHG0-13-01R-VPC KHG0-16-01R-VPC KHG0-20-01R-VPC
KHG1系列:
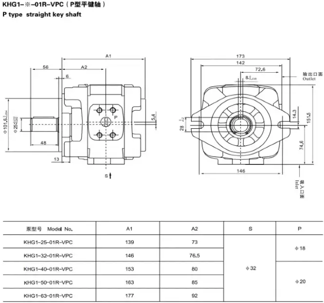
KHG1-25-01R-VPC KHG1-32-01R-VPC KHG1-40-01R-VPC KHG1-50-01R-VPC KHG1-63-01R-VPC
KHG2系列:
KHG2-63-01R-VPC KHG2-80-01R-VPC KHG2-100-01R-VPC KHG2-125-01R-VPC KHG2-145-01R-VPC KHG2-160-01R-VPC
本文由蘇州逐利機電整理發布,如需轉載請瀏覽來源及出處,原文地址:http://m.mfchsuyu.cn/yyyb/143.html






留言信息