SAMEK泵芯 雙聯葉片泵4525VQ 42A/45A/50A/57A-1CR/1AR/1DR/1BR

液壓系統的油缸動作很慢,為啥?
有些液壓系統安裝在機器上之后,運行一段時間發現有這麼一個問題,表現為執行元件油缸動作緩慢,壓力上不去。為什麼會出現這種情況,液壓系統并沒有做什麼操作啊?下面就跟大家來分析下,液壓系統執行元件油缸動作緩慢,壓力上不去的時候怎麼辦,造成這種情況的原因以及排除方法有哪些。
1、油泵內運轉前未充滿油液,留有空氣。
處理方法:從油泵回油口灌滿油液,排除油泵內的空氣。
2、油箱油面過低,油管、濾油器堵塞或阻力過大及漏氣等。
處理方法:檢查油箱油面高度。不足時應添加。油管、濾清器堵塞應疏通和清洗。檢查并緊固各連接處的螺釘,排除漏氣。
3、油泵連接不當,使泵軸承受軸向力,導緻缸體和配油盤産生間隙,高低油腔串通。
處理方法:改變連接方法,消除軸向力。
4、液壓油泵中心彈簧折斷,使柱塞不能回程,缸體和配油盤密封不良。
處理方法:油泵中心彈簧彈力不足或折斷。
5、液壓油不清潔,缸體與配油盤或缸體與柱塞磨損,使漏油過多。
處理方法:檢查缸體與配油盤和柱塞的磨損情況,視情況進行修配,更換柱塞。
6、油溫過低,油液粘度下降,造成泵的內洩漏增大,泵并伴有發熱的癥狀。
處理方法:根據油泵的溫升情況,選用合適粘度的液壓油。找出油溫過高或過低的原因,并及時排除。
7、如果是變量軸向柱塞泵,可能是變量角太小。
處理方法:如果變量軸向柱塞泵變量角過小時,應適當調大。





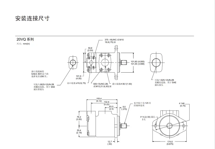
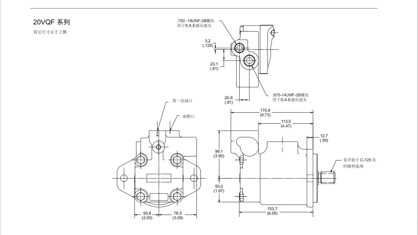
20系列
20V25A-1CR 20VQ
2520系列
2520V/VQ 2520V17A14-1AD22L 2520VQ
2525系列
2525V/VQ 2525VQ
25系列
25V/VQ 25V-10A 25V10A-1DR-10 25V-12A 25V-14A 25V-15A 25V17A-1A22R 25V20 25V21A 25V-21A-1B-22R 25V25
25VQ12MS86BR 25VQ17A-1BR 25VQ17A-1CR 25VQ25A-1A20L 25VQ25A-86DR 3520V/VQ
3520系列
3520VQ 3520VQ21A8S-1BBR
3525系列
3525V/VQ 3525V-25A25 3525v-38a21-86aa-22r 3525VQ 3525VQ-25A14-1DB 35V/VQ
35系列
35V20 35V-21/25A-1/86A-22R 35V25 35V-35A-1/86D-22R 35V35A-1BR 35V38A-1/86-C/D-22R
35VQ25A-1C/BR 35VQ30 35VQ30A-1CR 35VQ35 35VQ35A-1AR 35VQ35A-1CR 35VQ38 35VQ42
4520系列
4520V/VQ 4520VQ 4520VQ-60/11A-1AA 4520VQ-60/12A-1AA 4520VQ-60/14A-1AA
4520VQ-60/5A-1AA 4520VQ-60/6A-1AA 4520VQ-60/7A-1AA 4520VQ-60/8A-1AA
4520VQ-60/9A-1AA 4520VQ-66/11A-1AA 4520VQ-66/12A-1AA 4520VQ-66/14A-1AA
4520VQ-66/5A-1AA 4520VQ-66/6A-1AA 4520VQ-66/7A-1AA 4520VQ-66/8A-1AA
4520VQ-66/9A-1AA 4520VQ-75/11A-1AA 4520VQ-75/12A-1AA 4520VQ-75/14A-1AA
4520VQ-75/5A-1AA 4520VQ-75/6A-1AA 4520VQ-75/7A-1AA 4520VQ-75/8A-1AA
4520VQ-75/9A-1AA 4525V/VQ 4525V60A17-1AC22L 4525VQ 4535V/VQ
4535系列
4535V-50A35-86 4535V60A38-1AA-22R 4535V-60A38-1CC-22R 4535VQ
45系列
45V/VQ 45V20 45V25 45V35 45V60A-001C-22R 45V75A
45VQ42 45VQ47 45VQ50 45VQ50A 45VQ57 45VQ60 45VQ60A 45VQ66 45VQ75
本文由蘇州逐利機電整理發布,如需轉載請瀏覽來源及出處,原文地址:http://m.mfchsuyu.cn/yyyb/70.html






留言信息