SAMEK注塑機/成型機打包機/45VQ 57A/60A/66A/75A壓鑄機葉片泵

談談液壓系統空穴現象與液壓沖擊
一、空穴現象
在液壓系統中,如果某處壓力低于油液工作溫度下的空氣分離壓時,油液中的空氣就會分離出來而形成大量氣泡;當壓力進一步降低到油液工作溫度下的飽和蒸汽壓力時,油液會迅速汽化而産生大量氣泡。這些氣泡混雜在油液中,産生空穴,使原來充滿管道或液壓元件中的油液成為不連續狀態,這種現象一般稱為空穴現象。
空穴現象一般發生在閥口和液壓泵的進油口處。油液流過閥口的狹窄通道時,液流速度增大,壓力大幅度下降,就可能出現空穴現象。液壓泵的安裝高度過高,吸油管道內徑過小,吸油阻力太大,或液壓泵轉速過高,吸油不充足等,均可能産生空穴現象。
液壓系統中出現空穴現象后,氣泡隨油液流到高壓區時,在高壓作用下氣泡會迅速破裂,周圍液體質點以高速來填補這一空穴,液體質點間高速碰撞而形成局部液壓沖擊,使局部的壓力和溫度均急劇升高,産生強烈的振動和噪聲。
在氣泡凝聚處附近的管壁和元件表面,因長期承受液壓沖擊及高溫作用,以及油液中逸出氣體的較強腐蝕作用,使管壁和元件表面金屬顆粒被剝落,這種因空穴現象而産生的表面腐蝕稱為汽蝕。
為了防止産生空穴現象和汽蝕,一般可采取下列措施。
①減小流經小孔和間隙處的壓力降,一般希望小孔和間隙前后的壓力比p1/p2<3. 50
②正確確定液壓泵吸油管內徑,對管內液體的流速加以限制,降低液壓泵的吸油高度,盡量減小吸油管路中的壓力損失,管接頭良好密封,對于高壓泵可采用輔助泵供油。
③整個系統管路應盡可能直,避免急彎和局部窄縫等。
④提高元件抗汽蝕能力。
二、液壓沖擊
在液壓系統中,由于某種原因引起液體壓力在某一瞬間突然急劇上升,而形成很高的壓力峰值,這種現象稱為液壓沖擊。
1.産生液壓沖擊的原因
(1)閥門突然關閉引起液壓沖擊 如又圖所示有一較大容腔(如液壓缸、蓄能器等)和在另一端裝有閥門K的管道相通。閥門??啟時,管內液體流動。當閥門突然關閉時,從閥門處??始 迅速將液體動能逐層轉化為壓力能,相應産生一從閥門向容腔推進的高壓沖擊波;此后又從容腔 ??始將液體壓力能逐層轉化為動能,液體反向流動;然后,再次將液體動能轉化為壓力能而形成一高壓沖擊波.如此反複地進行能量轉化,在管道內形成壓力震蕩。由于液體內摩擦力和管道彈性變形等的影響,振蕩過程會逐漸衰減而趨于穩定。
(2)運動部件突然制動或換向時引起液壓沖擊 換向閥突然關閉液壓的回油通道而使運動部件制動時,這一瞬間運動部件的動能會轉化為封閉油液的壓力能,壓力急劇上升,出現液壓沖擊。
(3)某些液壓元件動作失靈或不靈敏産生的液壓沖擊 當溢流悶存系統中作安全閥使用時,如果系統過載安全閥不能及時打??或根本打不??.也會導緻系統管道壓力急劇升高,産生液壓沖擊。
2.液壓沖擊的危害
①巨大的瞬時壓力峰值使液壓元件,尤其是液壓密封件遭受破壞。
②系統産生強烈震動及噪聲,并使油溫升高。
③使壓力控制元件(如壓力繼電器、順序閥等)産生誤動作,造成設備故障及事故。
3.減小液壓沖擊的措施
(1)延長閥門關閉和運動部件換向制動時間 當閥門關閉和運動部件換向制動時間大于0.3s時,液壓沖擊就大大減小。為控制液壓沖擊可采用換向時間可調的換向閥。如采用帶逐尼的電液換向閥可通過調節阻尼以及控制通過先導閥的壓力和流量來減緩主換向閥閥芯的換向(關閉)速度,液動換向閥也與此類似。
(2)限制管道內液體的流速和運動部件速度 機床液壓系統,常常將管道內液體的流速限制在5.0m/s以下,運動部件速度一般小于10m/min等。
(3)適當加大管道內徑或采用橡膠軟管 可減小壓力沖擊波在管道中的傳播速度,同時加大管道內徑也可降低液體的流速,相應瞬時壓力峰值也會減小。
(4)在液壓沖擊源附近設置蓄能器 使壓力沖擊波往複一次的時問短于閥門關閉時間,而減小液壓沖擊。





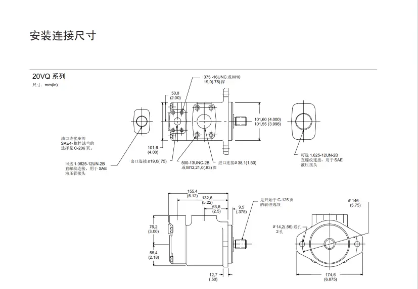
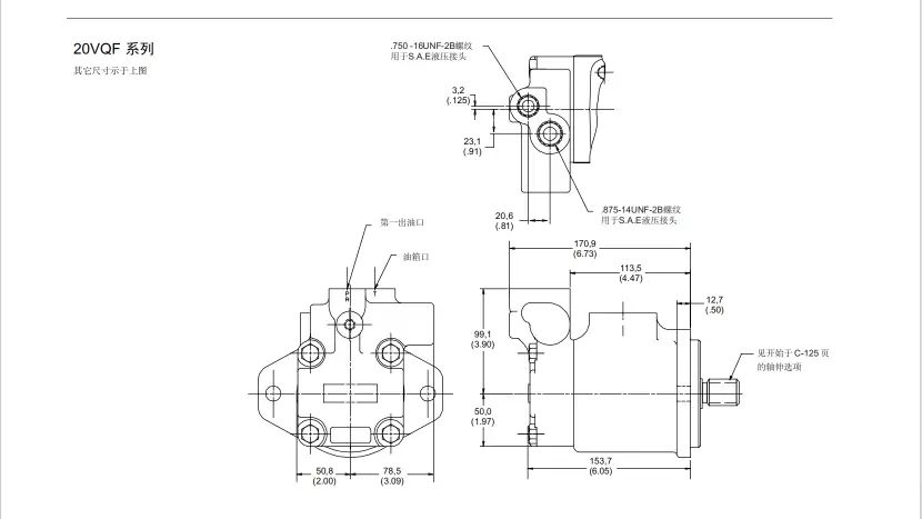
20系列
20V25A-1CR 20VQ
2520系列
2520V/VQ 2520V17A14-1AD22L 2520VQ
2525系列
2525V/VQ 2525VQ
25系列
25V/VQ 25V-10A 25V10A-1DR-10 25V-12A 25V-14A 25V-15A 25V17A-1A22R 25V20 25V21A 25V-21A-1B-22R 25V25
25VQ12MS86BR 25VQ17A-1BR 25VQ17A-1CR 25VQ25A-1A20L 25VQ25A-86DR 3520V/VQ
3520系列
3520VQ 3520VQ21A8S-1BBR
3525系列
3525V/VQ 3525V-25A25 3525v-38a21-86aa-22r 3525VQ 3525VQ-25A14-1DB 35V/VQ
35系列
35V20 35V-21/25A-1/86A-22R 35V25 35V-35A-1/86D-22R 35V35A-1BR 35V38A-1/86-C/D-22R
35VQ25A-1C/BR 35VQ30 35VQ30A-1CR 35VQ35 35VQ35A-1AR 35VQ35A-1CR 35VQ38 35VQ42
4520系列
4520V/VQ 4520VQ 4520VQ-60/11A-1AA 4520VQ-60/12A-1AA 4520VQ-60/14A-1AA
4520VQ-60/5A-1AA 4520VQ-60/6A-1AA 4520VQ-60/7A-1AA 4520VQ-60/8A-1AA
4520VQ-60/9A-1AA 4520VQ-66/11A-1AA 4520VQ-66/12A-1AA 4520VQ-66/14A-1AA
4520VQ-66/5A-1AA 4520VQ-66/6A-1AA 4520VQ-66/7A-1AA 4520VQ-66/8A-1AA
4520VQ-66/9A-1AA 4520VQ-75/11A-1AA 4520VQ-75/12A-1AA 4520VQ-75/14A-1AA
4520VQ-75/5A-1AA 4520VQ-75/6A-1AA 4520VQ-75/7A-1AA 4520VQ-75/8A-1AA
4520VQ-75/9A-1AA 4525V/VQ 4525V60A17-1AC22L 4525VQ 4535V/VQ
4535系列
4535V-50A35-86 4535V60A38-1AA-22R 4535V-60A38-1CC-22R 4535VQ
45系列
45V/VQ 45V20 45V25 45V35 45V60A-001C-22R 45V75A
45VQ42 45VQ47 45VQ50 45VQ50A 45VQ57 45VQ60 45VQ60A 45VQ66 45VQ75
本文由蘇州逐利機電整理發布,如需轉載請瀏覽來源及出處,原文地址:http://m.mfchsuyu.cn/yyyb/62.html






留言信息