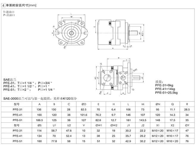
阿托斯葉片泵PFE-31016/31022/31036/31044/1DT 20意大利ATOS油泵
電液伺服閥如何選用?
電液伺服閥分爲單級、二級和三級:
①單級電液伺服閥直接由力馬達或力矩馬達驅動滑閥閥心,用于壓力低于6.3MPa、流量小于4L/min和負載變化小的液壓系統;
②二級電液伺服閥有兩級液壓放大器,用于流量小于200L/mm的系統;
③三級電液伺服閥可輸出更大的流量和功率。
選用伺服閥要依據伺服閥的特點和系統性能要求。伺服閥最大的弱點是抗污染能力差,過濾器的顆粒度必須小于3μm。伺服閥側重應用在動態精度和控制精度高、抗干擾能力強的閉環系統中,對動態精度要求一般的系統可用比例閥。

從響應速度優先的原則考慮,伺服閥的前置級優先選擇噴嘴擋闆閥,其次是射流管閥,最后是滑閥;
從功率考慮,射流管閥壓力效率和容積效率在70%以上,應首先選擇,然后是滑閥和噴嘴擋闆閥;
從抗污染和可靠性方面考慮,射流管閥的通徑大,抗污染能力強,可延長系統無故障工作時間;
從性能穩定方面考慮,射流管閥的磨蝕是對稱的,不會引起零漂,性能穩定,壽命長。滑閥的開口形式一般選擇零開口結構,伺服閥規格由系統的功率和流量決定,并留有15%~30%的流量裕度。
伺服閥的頻寬按照伺服系統頻寬的5倍選擇,以減少對系統響應特性的影響,但不要過寬,否則系統抗干擾能力減小。伺服閥在安裝時,閥心應處于水平位置,管路采用鋼管連接,安裝位置盡可能靠近執行器。
伺服閥有兩個線圈,接法有單線圈、雙線圈,串聯、并聯和差動等方式。







PFE 31028/ 5DW
PFE-31016/1DT 20 PFE-31016/1DU
PFE-31022/1DT 20 PFE-31022-1DU
PFE-31028/ 1DT PFE-31028/1DT 20
PFE-31036/1DT PFE-31036/1DT 20
PFE-31044/1DT 20 PFE-31044/5DT PFE-31044-1DT
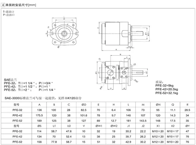
PFE-32036/3DT 20 PFE-32036/3DU 20
PFE-41029/1DT
PFE-41045/1DT 20
PFE-41070-10V
PFE-41085/10D PFE-41085/1DT 20
PFE-42045/3DW 20
PFE-42056/3DT PFE-42056/3DT 20
PFE-51090/1DT PFE-51090-1DT
PFE-51150/1DT 20
PFED 54110/045/1 DVO
PFED-43045/016/1DTA PFED-43045/028-1DT0 PFED-43045/044/1DTO
PFED-43070/028/1DWB20 PFED-43070/044/1DV0 20
PFED-43085/016 PFED-43085/016/1DVO 20 PFED-43085/022 PFED-43085/028 PFED-43085/036
PFED-43085/044 PFED-43085/044/1DUO 20
PFED-54110/037/1DTO
本文由蘇州逐利機電整理發布,如需轉載請瀏覽來源及出處,原文地址:http://m.mfchsuyu.cn/yyyb/211.html






留言信息