高壓齒輪泵HGP-1A-F1R/F2R/F4R/F6R油泵泵頭

液壓系統油液洩露問題的處理
在液壓系統中,液壓油的洩露是比較常見的一種故障,那麼對于這種故障的解決方法其實也是不盡相同的,必須根據不同的洩露原因去使用的不同的解決方案。
1、對于設計方面的不足所造成的油液洩露。這種故障通常可以選擇尺寸更加精準的液壓元件,比如油缸、密封件、油閥等等,這對于液壓系統是否會發生洩露的現象有著決定性的作用。同時在運輸以及安裝調試的時候也要注意對于零件以及密封件的表面要盡量防止刮傷或者碰傷。
2、對于受到外力撞擊所造成的洩露,這種情況可以通過對于液壓系統的外做一定的保護措施,同時安裝減震支架用來保護管路以免受到外力的撞擊。并且對于各個關鍵部位的接頭減少拆鞋的次數,同時盡量使用焊接的方式來鏈接一些重要的接頭處。
3、液壓零件的磨損所造成的洩露。這種原因的解決方案可以通過降低活塞桿的運動速度,還可以裝置合適的過濾器,這樣就使得在清洗油箱的時候變得簡單。同時這樣才能減少密封配合件的磨損以及密封的使用壽命。
對于油液的洩露,不能夠完全防止,隻有做好各種措施,嚴格按照正確的操作規定去使用設備,才能夠減少洩露故障的發生。








HGP-1A:
HGP-1A-F1R,HGP-1A-F2R,HGP-1A-F3R,HGP-1A-F4R,HGP-1A-F5R,HGP-1A-F6R,HGP-1A-F8R
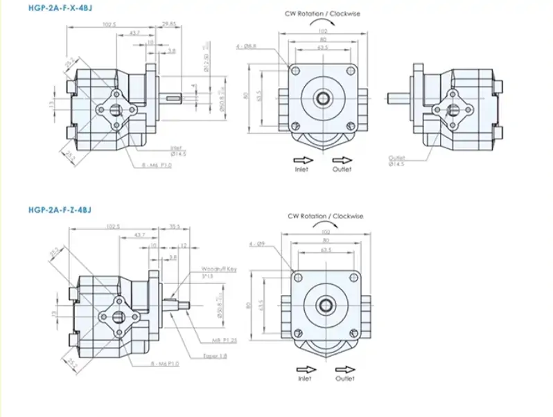
HGP-2A:
HGP-2A-F2R,HGP-2A-F3R,HGP-2A-F4R,HGP-2A-F5R,HGP-2A-F6R,HGP-2A-F7R,HGP-2A-F8R,
HGP-2A-F9R,HGP-2A-F10R,HGP-2A-F11R,HGP-2A-F12R,HGP-2A-F14R
HGP-3A:
HGP-3A-F6R,HGP-3A-F8R,HGP-3A-F11R,HGP-3A-F13R,HGP-3A-F14R,HGP-3A-F17R,
HGP-3A-F19R,HGP-3A-F23R,HGP-3A-F25R,HGP-3A-F28R,HGP-3A-F30R
本文由蘇州逐利機電整理發布,如需轉載請瀏覽來源及出處,原文地址:http://m.mfchsuyu.cn/yyyb/13.html






留言信息