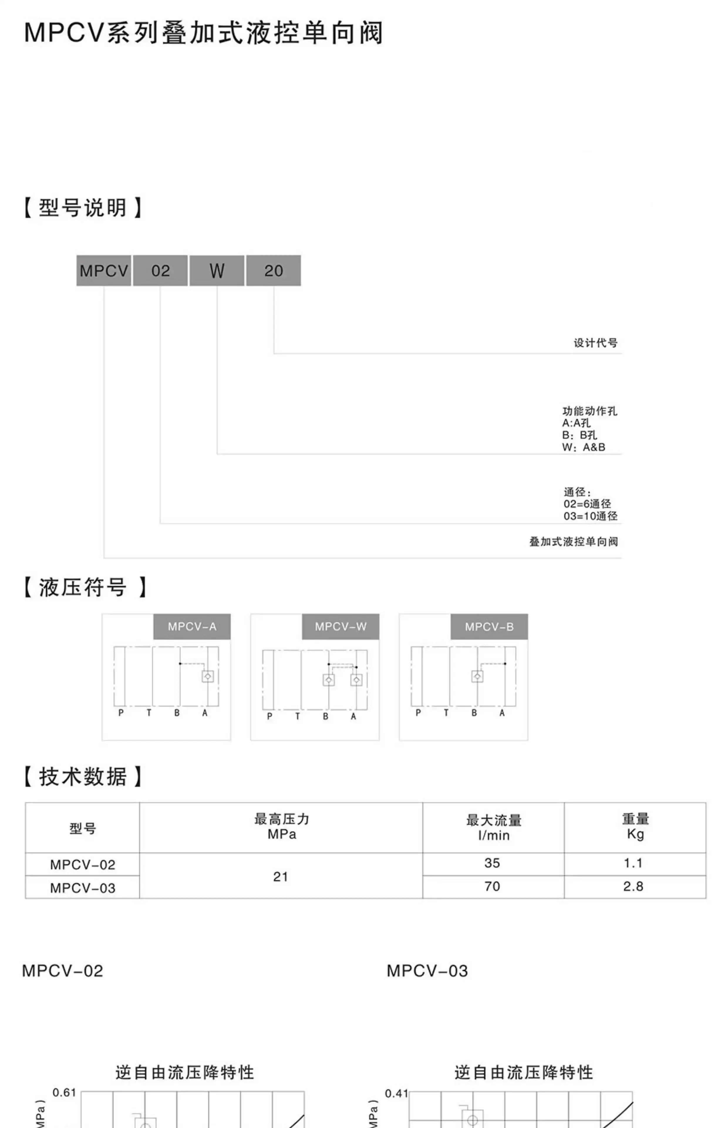
YRUN先導式溢流閥MRV-03P MPCV-02W疊加式液控單向閥,電磁閥




50T-07-FR大軸22.2,50T-07-FR小軸19.05,50T-12-FR大軸22.2,50T-12-FR小軸19.05
50T-14-FR大軸22.2,50T-14-FR小軸19.05,50T-17-FR大軸22.2,50T-17-FR小軸19.05
50T-20-FR大軸22.2,50T-20-FR小軸19.05,50T-23-FR大軸22.2,50T-23-FR小軸19.05
50T-26-FR大軸22.2,50T-26-FR小軸19.05,50T-30-FR大軸22.2,50T-30-FR小軸19.05
50T-36-FR大軸22.2,50T-36-FR小軸19.05,50T-39-FR大軸22.2,50T-39-FR小軸19.05
50T-43-FR大軸22.2,50T-43-FR小軸19.05
A100-FR04HBS/FR04HAS-A-60399/60366,A100-FR04HS-60,
A145-FR04HBS/FR04HAS-A-60366,A145-FR04HS-60
A16-F-R-01-B-K-32,A16-F-R-01-C/H/B-K-32,A16-F-R-01-C-K-32,A16-F-R-01-H-K-32
A22-F-R-01-B-K-32,A22-F-R-01-C-K-32,A22-F-R-01-H/B-K-32,A22-F-R-01-H-K-32
A37-F-R-01-B/C-K-32,A37-F-R-01-B-K-32,A37-F-R-01-C/H-K-32,A37-F-R-01-C-K-32
A37-F-R-01-H-K-32,A37-F-R-04-H-K-32393
A3H100-F(L)-R(L),A3H145-F(L)-R(L),A3H16-F(L)-R(L),A3H180-F(L)-R(L),A3H37-F(L)-R(L)
A3H56-F(L)-R(L),A3H71-F(L)-R(L)
A3HG100-F(L)-R(L),A3HG145-F(L)-R(L),A3HG16-F(L)-R(L),A3HG180-F(L)-R(L),A3HG37-F(L)-R(L)
A3HG56-F(L)-R(L),A3HG71-F(L)-R(L)
A45-F-R-04-H-K-32393,A56/A45/A37,A56-F-R-04-H-K-32393,A70-FR04HBS-A,A70-FR04HS-60
A70-FRO4HAS-A,A90-FR04HBS/FR04HAS-A-60366,A90-FR04HS-60
AR16-FR01B-20,AR16-FR01B-22,AR16-FR01BS-22,AR16-FR01C-20,AR16-FR01C-22
AR16-FR01CS-22,AR16-FRO1BS-2223
AR22-FR01B-20,AR22-FR01B-22,AR22-FR01BS-22,AR22-FR01C-20,AR22-FR01C-22,AR22-FR01CS-22
ARL1-12-FR01A-10,ARL1-12-FR01S-10,ARL1-16-FR01A-10,ARL1-16-FR01S-10,ARL1-6-FR01A-10
ARL1-6-FR01S-10,ARL1-8-FR01A-10,ARL1-8-FR01S-10
PV2R11/R12/R13/R14
PV2R1-10-F-RAA-43,PV2R1-12-F-RAA-43,PV2R1-14-F-RAA-43,PV2R1-17-F-RAA-43,PV2R1-19-F-RAA-43
PV2R12-10-26-F-REAA-42,PV2R12-10-41-F-REAA-42,PV2R12-10-47-F-REAA-42
PV2R12-10-53-F-REAA-42,PV2R12-10-59-F-REAA-42,PV2R12-10-65-F-REAA-42,PV2R12-10-75-F-REAA-42
PV2R12-14-33-F-REAA-4326,PV2R12-14-33-F-REAR-43,PV2R12-25-33,PV2R12-25-41,PV2R12-25-47
PV2R12-25-53,PV2R12-25-59,PV2R12-25-65,PV2R12-25-75,PV2R12-28-33,PV2R12-28-41,PV2R12-28-47
PV2R12-28-53,PV2R12-28-59,PV2R12-28-65,PV2R12-28-75,PV2R1-23-F-RAA-43,PV2R1-25-F-RAA-43
PV2R12-6-26-F-REAA-42,PV2R12-6-33-F-REAA-42,PV2R12-6-41-F-REAA-42,PV2R12-6-47-F-REAA-42
PV2R12-6-53-F-REAA-42,PV2R12-6-59-F-REAA-42,PV2R12-6-65-F-REAA-42,PV2R12-6-75-F-REAA-42
PV2R12-8-26-F-REAA-42,PV2R12-8-41-F-REAA-42,PV2R12-8-53-F-REAA-42,PV2R12-8-59-F-REAA-42
PV2R12-8-65-F-REAA-42,PV2R12-8-75-F-REAA-42,PV2R1-28-F-RAA-43
PV2R13-10-76-L-LRAL-43,PV2R13-10-76-L-RAAA-40,PV2R13-12-76-L-RAAA-40
PV2R13-14-76-L-RAAA-40,PV2R13-17-76-L-RAAA-40,PV2R13-19-76-L-RAAA-40
PV2R1-31-F-RAA-43
PV2R13-23-76-L-RAAA-40,PV2R13-25-76-L-RAAA-40,PV2R13-31-76-L-RAAA-40
PV2R13-6-76-L-RAAA-40,PV2R13-8-76-L-RAAA-40
PV2R1-6-F-RAA-43,PV2R1-8-F-RAA-43
PV2R2-26-F-R,PV2R23/R24/R33/R34,PV2R2-33-F-R
PV2R23-47-94-F-REAA-41,PV2R23-53/66-F-REAA-41
PV2R2-41-F-R,PV2R2-47-F-R,PV2R2-53-F-R,PV2R2-59-F-R,PV2R2-65-F-R,PV2R2-75-F-R
PV2R34-116-237-F-REAA-31,PV2R34-116-237-F-RGAL-31,PV2R34-116-237-F-RHAR-31
PV2R34-52-184-F-RAAA-31
PV2R3-94-F-RAAA
PV2R4-200-F-RAA-30,PV2R4-200-F-RAB-30,PV2R4-200-F-RAL-30,PV2R4-200-F-RAR-30
PV2R4-237-F-RAB-30,PV2R4-237-F-RAL-30,PV2R4-237-F-RAR-30
PVR50FF-13-RAA-31,PVR50FF-20-RAA-31,PVR50FF-23-RAA-31,PVR50FF-26-RAA-31
PVR50FF-30-RAA-31,PVR50FF-36-RAA-31,PVR50FF-39-RAA-31
S-PV2R2/R3/R4/R12/R34,S-PV2R2-53-F-RAA-45
SVPF-12-20-20,SVPF-12-35-20,SVPF-12-55-20,SVPF-12-70-20
SVPF-15-20-20,SVPF-15-35-20,SVPF-15-55-20,SVPF-15-70-20
SVPF-20-20-20,SVPF-20-35-20,SVPF-20-55-20,SVPF-20-70-20
SVPF-30-20-20,SVPF-30-35-20,SVPF-30-55-20,SVPF-30-70-20
SVPF-40-20-20,SVPF-40-35-20,SVPF-40-55-20,SVPF-40-70-20
VP-08-FA3,VP-12-FA3,VP-15-FA3,VP-15-FA3(花鍵7齒),VP-15-FA3(花鍵9齒)
VP-20-FA3,VP-20-FA3(花鍵7齒),VP-20-FA3(花鍵9齒),VP-30-FA3
VP-30-FA3(花鍵9齒),VP-40-FA3,VP-40-FA3(花鍵9齒)
VPSM-PSFO-16AR-20,VPSM-PSFO-9BR-20
DG-01 DG-02 DT-01 DT-02 BG-03 BG-06 BG-10
BT-04 BT-06 BT-10
BG/BT-03/06/10 BT-03 BT-04 BT-06 BT-10
BSG-03/06/10 BSG-2P/BST-2P-03/06/10
BSG-03 BSG-06 BSG-10 BSG-03-*-2P BSG-06-*-2P
SBG-03 SBG-06 SBSG-03 SBSG-06 SBSG-10 SBG-03/06/10 SBSG-03/06/10
SBG-03-B SBG-03-C SBG-03-H SBG-03-2H SBG-06-B SBG-06-C SBG-06-H SBG-06-2H SBG-06-H-K05
BST-03-2PN-B BST-03-2PN-C BST-03-2PN-H BST-03-2PN-2H BST-06-2PN-B BST-06-2PN-C
BST-06-2PN-H BST-06-2PN-2H BST-10-2PN-B BST-10-2PN-C BST-10-2PN-H BST-10-2PN-2H
H型壓力控制閥、HC型壓力控制閥
HG-03 HG-06 HG-10 HCG-03 HCG-06 HCG-10 HCT-06
HG/HT-03/06/10
減壓閥、單向減壓閥
RG-03 RG-06
RT-03 RT-03/04/06/10
RCT-03 RCT-03 RCT-06 RCT-10 RCT-03/06/10
RCG-03/06/10 RCG-03 RCG-06 RG-03/06/10
液控單向閥
CPDG-03 CPDG-06 CPDG-10
CPDT-03 CPDT-06 CPDT-10
CPDF-10 CPDF-16
電液換向閥
DSHG-04 DSHG-04-AB DSHG-06
DSHG-06-AB
DSHG-10 DSHG-10-AB
DSHG-2B*-03/04/06/10 DSHG-3C*-03/04/06/10
順序閥
HCG-03 HCG-06 HCG-10
HCG-03/06/10
HCT-03/04/06/10
DSG-01-2B2-D24,DSG-01-2D2-D24,DSG-01-3C2-A220-DL,DSG-01-3C2-A220-LW,
DSG-01-3C2-D24-DL,DSG-01-3C2-D24-LW,DSG-01-3C3-A220-DL,DSG-01-3C3-A220-LW,
DSG-01-3C3-D24-DL,DSG-01-3C3-D24-LW,DSG-01-3C4-A220-DL,DSG-01-3C4-A220-LW,
DSG-01-3C4-D24-DL,DSG-01-3C4-D24-LW,DSG-01-3C5-D24-DL,DSG-01-3C5-D24-LW,
DSG-01-3C6-A220-DL,DSG-01-3C6-A220-LW,DSG-01-3C6-D24-DL,DSG-01-3C6-D24-LW,
DSG-02-2B2-DL,DSG-02-2B2-DL-AC24,DSG-02-3C2-D24-DL,DSG-02-3C2-DL,DSG-02-3C3-DL,
DSG-02-3C4-DL,DSG-02-3C60-DL,DSG-02-3C60-DL-R220,DSG-03-2B2-DL,DSG-03-2B2-DL-A220,
DSG-03-2B2-DL-A220V,DSG-03-2B2-DL-D24,DSG-03-2B2-DL-D24V,DSG-03-2B2-LW-A220,
DSG-03-2B2-LW-D24,DSG-03-2B3-DL-A220,DSG-03-2B3-DL-D24,DSG-03-2B3-LW-A220,
DSG-03-2B3-LW-D24,DSG-03-2D2-DL-A220,DSG-03-2D2-DL-D24,DSG-03-2D2-LW-A220,
DSG-03-2D2-LW-D24,DSG-03-3C2-D24,DSG-03-3C2-DL,DSG-03-3C2-DL-A220,
DSG-03-3C2-DL-A220V,DSG-03-3C2-DL-D24,DSG-03-3C2-DL-D24V,DSG-03-3C2-LW-A220,
DSG-03-3C2-LW-D24,DSG-03-3C3-DL,DSG-03-3C3-DL-A220V,DSG-03-3C3-DL-D24V,
DSG-03-3C4-D24,DSG-03-3C4-DL,DSG-03-3C4-DL-A220,DSG-03-3C4-DL-A220V,
DSG-03-3C4-DL-D24,DSG-03-3C4-DL-D24V,DSG-03-3C4-LW-A220,DSG-03-3C4-LW-D24,
DSG-03-3C5-DL-A220V,DSG-03-3C5-DL-D24V,DSG-03-3C60-DL,DSG-03-3C60-DL-A220V,
DSG-03-3C60-DL-D24V,DSG-03-3C6-DL-A220,DSG-03-3C6-DL-A220V,DSG-03-3C6-DL-D24,
DSG-03-3C6-DL-D24V,DSG-03-3C6-LW-A220,DSG-03-3C6-LW-D24,DSG-G03-2B2-DL-AC220V,
DSG-G03-2B2-DL-DC24V,DSG-G03-2B3-DL-AC220V,DSG-G03-2B3-DL-DC24V,
DSG-G03-2B60-DL-AC220V,DSG-G03-2B60-DL-DC24V,DSG-G03-2B8-DL-AC220V,
DSG-G03-2B8-DL-DC24V,DSG-G03-3C2-DL-AC220V,DSG-G03-3C2-DL-DC24V,
DSG-G03-3C3-DL-AC220V,DSG-G03-3C3-DL-DC24V,DSG-G03-3C4-DL-AC220V,
DSG-G03-3C4-DL-DC24V,DSG-G03-3C60-DL-AC220V,DSG-G03-3C60-DL-DC24V
SW-G02-04-A220-50
MSA-01-X-50,MSA-01-Y-50,MSA-02-X-50,MSA-02-Y-50,MSA-03-X-50,MSA-03-Y-50,
MSA-04-X-50,MSA-06-X-50,
MSB-01-X-50,MSB-02-X-50,MSB-03-X-50,MSB-04-X-50,MSB-06-X-50,
MSW-01-X-50,MSW-01-Y-50,MSW-02-X-50,MSW-02-Y-50,MSW-03-X-50,MSW-03-Y-50,
MSW-04-X-50,MSW-06-X-50
★★★▼疊加式減壓閥▼★★★
MRA-01-C-30,MRA-01-H-30,MRA-03-C-30,MRA-03-H-30,MRA-04-C-10,MRA-04-H-10,
MRA-06-C-30,MRA-06-H-30,
MRB-01-C-30,MRB-01-H-30,MRB-03-C-30,MRB-03-H-30,MRB-04-C-10,MRB-04-H-10,
MRB-06-C-30,MRB-06-H-30,
MRP-01-C-30,MRP-01-H-30,MRP-03-C-30,MRP-03-H-30,MRP-04-C-10,MRP-04-H-10,
MRP-06-C-30,MRP-06-H-30
★★★▼疊加式液控單向閥▼★★★
MPA-01-2-40,MPA-01-4-40,MPA-03-2-20,MPA-03-4-20,MPA-04-2-10Y,MPA-04-4-10Y,
MPA-06-2-30,MPA-06-4-30,
MPB-01-2-40,MPB-01-4-40,MPB-03-2-20,MPB-03-4-20,MPB-04-2-10Y,MPB-04-4-10Y,
MPB-06-2-30,MPB-06-4-30,
MPW-01-2-40,MPW-01-4-40,MPW-03-2-20,MPW-03-4-20,MPW-04-2-10Y,MPW-04-4-10Y,
MPW-06-2-30,MPW-06-4-30
★★★▼疊加式溢流閥▼★★★
MBA-01-C-30,MBA-01-H-30,MBA-03-C-30,MBA-03-H-30,MBB-01-C-30,MBB-01-H-30,MBB-03-C-30,
MBB-03-H-30,MBP-01-C-30,MBP-01-H-30,MBP-03-C-30,MBP-03-H-30,MBW-01-H-30,MBW-03-C-30,
MBW-03-H-30
液壓系統使用注意事項,不可忽略的細節問題
大家在液壓系統運轉啟動的時候,提醒你不可忽略以下注意事項,一不小心液壓系統就會出現各種故障現象。
(1)油箱中的液壓油應經常保持正常油面
配管和油缸的容量很大時,最初應放入足夠數量的油,在啟動之后,由于油進入了管道和油缸,油面會下降,甚至使濾油器露出油面,因此必須再一次補油。在使用過程中,還會發生泄漏,應該在油箱上設置液面計,以便經常觀察和補油。
(2)裝在室外的液壓裝置使用時的注意事項
①屋外隨著季節的不同,溫度變化比較劇烈,因此盡可能使用黏度指數大的油。
②由于氣溫變化,液壓系統油箱中水蒸氣會凝成水滴,在冬天應每一星期進行一次檢查,發現后應立即除去。
③在屋外因為臟物容易進入油中,因此要經常換油。
(3)初次啟動油泵的注意事項
①向泵里灌滿油。
②檢查轉動方向是否正確。
③入口和出口是否裝反。
④用手試轉。
⑤檢查吸入側有否漏入空氣。
⑥在規定的轉速內,啟動和運轉。

(4)低溫下啟動油泵的注意事項
①在寒冷地帶或冬天啟動油泵時,應該開開停停,往復幾次使油溫上升,油壓裝置運轉靈活后,再進入正式運轉。
②在短時間內用加熱器加熱油箱,以提高油溫,是較好的,但這時泵等裝置還是冷的,僅僅油是熱的,很容易造成故障,應該注意。
(5)其他
①在液壓油泵啟動和停止時,應使溢流閥卸荷。
②溢流閥的調定壓力不得超過液壓系統的最高壓力。
③應盡量保持電磁閥的電壓穩定,否則可能會導致線圈的過熱。
④易損零件,如密封圈等,應經常有備品,以便及時更換。
本文由蘇州逐利機電整理發布,如需轉載請瀏覽來源及出處,原文地址:http://m.mfchsuyu.cn/yyf/650.html






留言信息